世界杯直播免费高清在线观看 • 为中国智造注入新动力

产品选型指导 资料下载 产品定制 18929474788

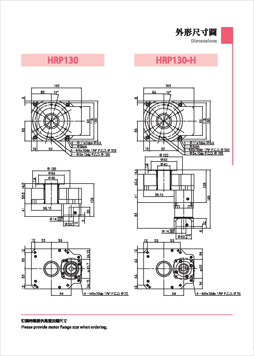
HRP中空旋转平台

品种:中空旋转平台

品牌:PHT(品宏行星减速机)

HRP系列是品宏转角减速机系列。 可搭配伺服马达或减速齿轮箱,提供使用者多种选择。 工作平台可直接与工件配合,提高便利性。 旋转平台为中空轴设计,适用于配管之场合。 定位精度小于1弧分,重复精度可达±5弧秒,增加产品之稳定性。 各式优点可让产品应用层面更加广泛。

产品特点 技术参数 应用案例 如何订购 安装指导

减速机特点

在线选型咨询
  • 1

    高刚性

  • 2

    低背隙

  • 3

    高转矩

  • 4

    低噪音

  • 5

    重复定位精度高

技术参数

在线选型咨询


应用案例

在线选型咨询

如何订购

在线选型咨询


减速机安装

在线选型咨询
2D/3D图纸下载
提交下载 获取密码
密码获取

将通过短信发送密码,也可以咨询网站客服索要



需求留言

Baidu
map