世界杯直播免费高清在线观看 • 为中国智造注入新动力

产品选型指导 资料下载 产品定制 18929474788

WF系列RV减速机

品种:RV减速机

品牌:WEITENSTAN

具有传动效率高、工作平稳、噪声低、结构紧凑、重量轻、体积小、使用可靠、寿命长、减速比范围大等优点。 轻量流线型设计、钢质本体、机型轻薄短小、体积比传统行星式减速器大幅缩小、可节省安装空间。 真圆齿形、齿腹大、抗压性强、不干涉不崩齿、可承受频繁正逆转和瞬间急停惯性冲击。 双排结构、负载分散、机理平衡、圆形齿轮设计、磨损小、噪音和温升要比其他减速器低。 线接触传动、摩擦系数小、效率高、出力扭矩大、惯量低、是一种精密的刚性传动,刚性传动轨迹也最接近理想工作曲线,这和部分原件使用滚动件的摆线式或和谐式传动设计有些许不同。 由于双共轭工作曲线和挠性轴销输出装置的改良设计、本机高精度背隙可控制在弧秒范围。 长效性油脂润滑、不需要保养、安装方向不受限。 人力方式有筒夹紧式和键槽式供选用。

产品特点 技术参数 关键尺寸 应用案例 安装指导

减速机特点

在线选型咨询
  • 1

    超薄

  • 2

    高精密

  • 3

    轻量化

  • 4

    高刚性

  • 5

    耐过载

  • 6

    可定制


技术参数

在线选型咨询

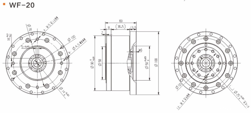
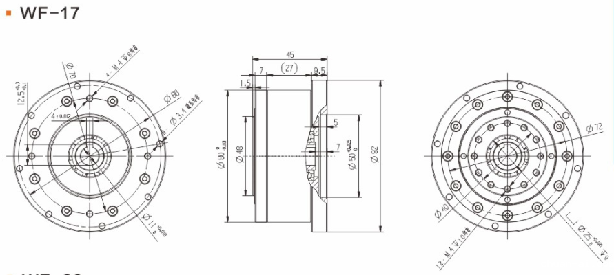
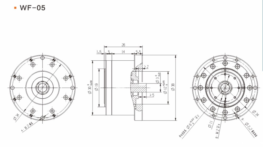
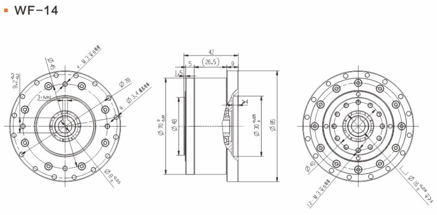
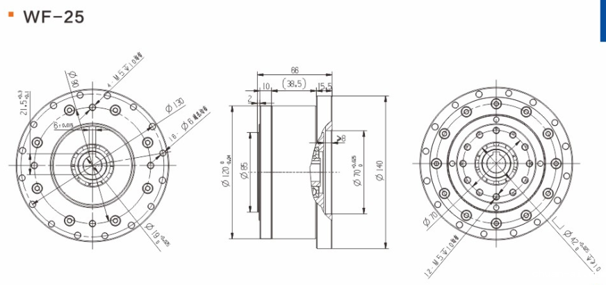
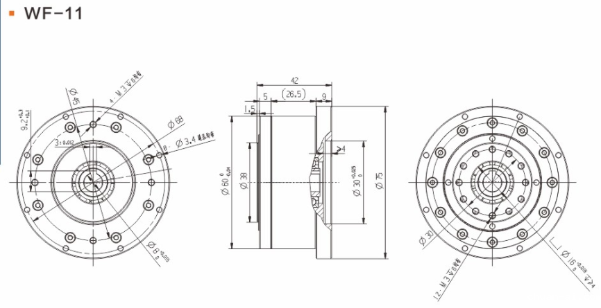
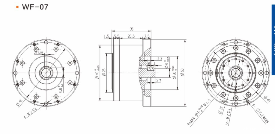
关键尺寸

在线选型咨询

应用案例

在线选型咨询

减速机安装

在线选型咨询
2D/3D图纸下载
提交下载 获取密码
密码获取

将通过短信发送密码,也可以咨询网站客服索要



需求留言

Baidu
map