世界杯直播免费高清在线观看 • 为中国智造注入新动力

产品选型指导 资料下载 产品定制 18929474788

DNC数控分度盘

品种:CNC数控分度盘

品牌:景益

CNC数控分度盘 分度盘是将工件夹持在卡盘上或两顶尖间,并使其旋转、分度和定位的机床附件,多用于自动化设备中。 数控分度盘(又称第四轴),用数字控制,可与数控机床、自动化生产线联动,实现精确分度进行机械加工及精确定位。 在传统工艺的机械加工中,工件四个面需要四道工序进行加工,现在加装数控分度盘后可以把四道工序省成一道工序,而且精度精准确到千分之一度。使用了数控分度产品后,无限制的角度都可顺利完成,不仅减少工序还大幅度地提升效率与品质。

产品特点 技术参数 关键尺寸 应用案例 安装指导

减速机特点

在线选型咨询


  • 1

    大孔径

  • 2

    高精密

  • 3

    锁紧力强

  • 4

    稳定性优异

技术参数

在线选型咨询

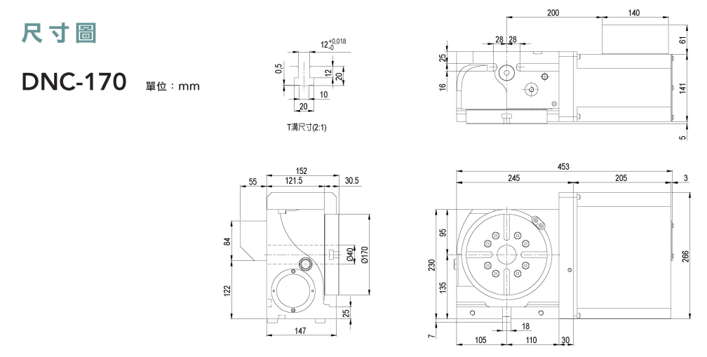
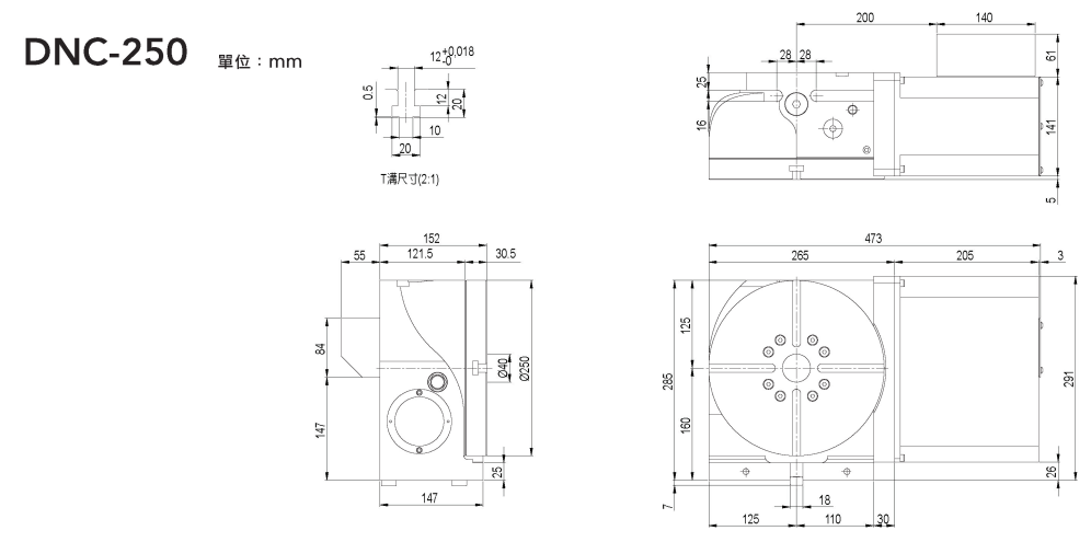
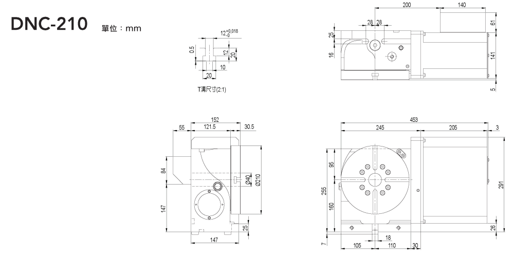
关键尺寸

在线选型咨询

应用案例

在线选型咨询

减速机安装

在线选型咨询
2D/3D图纸下载
提交下载 获取密码
密码获取

将通过短信发送密码,也可以咨询网站客服索要



需求留言

Baidu
map