世界杯直播免费高清在线观看 • 为中国智造注入新动力

产品选型指导 资料下载 产品定制 18929474788

TDNC数控分度盘

品种:CNC数控分度盘

品牌:景益

TDNC五轴摇篮式分度盘 CNC数控分度盘摇篮式五轴结构特点: 1、 采用进口双导程蜗杆、涡轮,涡轮采用铝青铜合金,传动定位精度高; 2、 涡轮大小接近盘面大小,不偷工减料,刚性比同类产品要强30%-50%; 3、 提供高准确和高效能的生产; 4、 摇摆结构配置倾斜轴中心线与旋转盘面高度一致,可承受更多的加工扭力和减少机器垂直行程的干涉。

技术参数 关键尺寸 应用案例 安装指导

技术参数

在线选型咨询

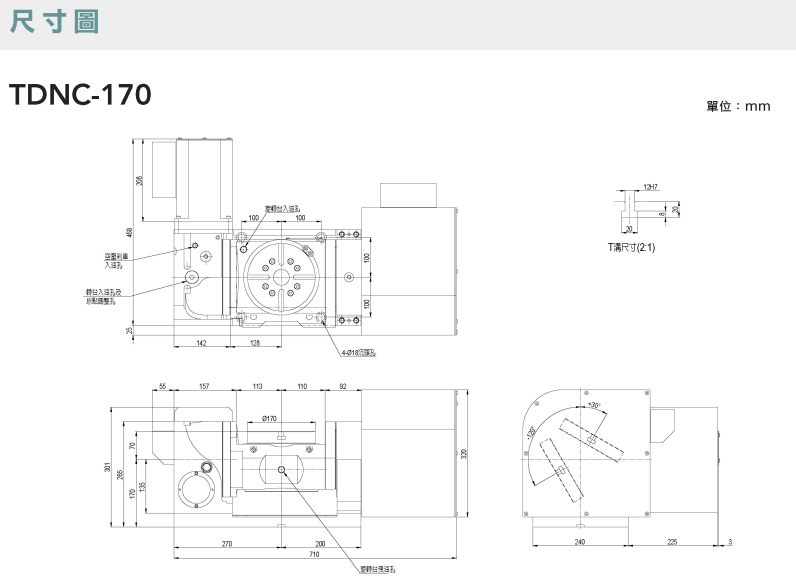
关键尺寸

在线选型咨询

应用案例

在线选型咨询

减速机安装

在线选型咨询
2D/3D图纸下载
提交下载 获取密码
密码获取

将通过短信发送密码,也可以咨询网站客服索要



需求留言

Baidu
map